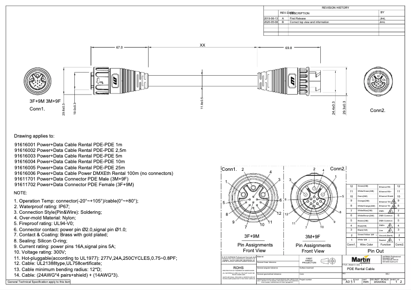
Miniature du produit Dessin technique

Dessin technique : Martin VDO Atomic Bold non catégorisé

Martin Autre Non catégorisé

Recherchez parmi les 2 pages de la notice : Dessin technique Non catégorisé Martin VDO Atomic Bold pour trouver les informations qu'il vous manque. Vous ne trouvez pas les réponses à vos questions ? Réservez une vidéo assistance en moins de 2 minutes.

Caractéristiques

Marque Martin
Modèle VDO Atomic Bold
Catégorie Autre
Type de produit Non catégorisé
Nombre de pages 2 Pages
Type de fichier